仲博cbin99

仲博·cbin99(中国集团)官方网站
仲博·cbin99(中国集团)官方网站

Rotary Joint

Home - Products

big202110191721296273

MXZ Rotary joint (Mono Flow)

Model::MXZ
Outer pipe::Thread connection or flange connection
Feature::Rotary joint for coolant water and designed for leather,rubber and plastic industries; Cylinder seal structure design,advantages including wear resistance,small rotation torque,convenient maintenance etc; Lightweight design.

Technical Parameter::
Media Water
Max.Temperature ≤100℃
Max.Pressure ≤0.8MPa
Max.Speed ≤200rpm

Product consultation Back to list

Sales Service Hotline::

0595-8686 1188

仲博·cbin99(中国集团)官方网站
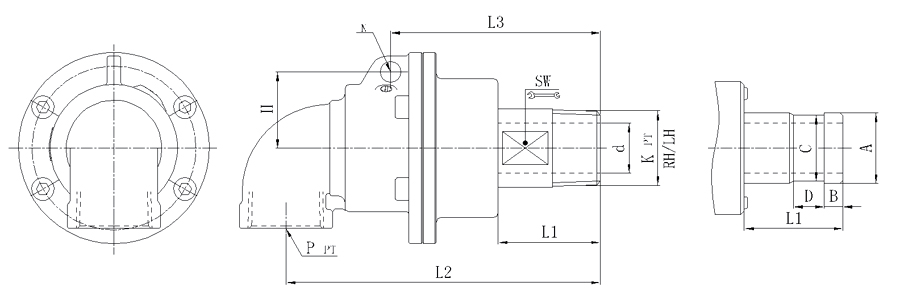
Model K P d L1 L2 L3 N SW H Flange outer tube size control table
A B C D
20A 3/4" 3/4" Rc3/4" 18 40 121.8 84 8 27 28.5 / / / /
/ Rc3/4" 18 40 121.8 84 8 / 28.5 26 11 24 16
25A 1" 1" Rc1" 22 44 137 91 9 31 33.5 / / / /
/ Rc1" 22 44 137 91 9 / 33.5 34 11 32 16
32A 1-1/4" 1-1/4" Rc1-1/4" 30 50 153.8 106 11 41 40.5 / / / /
/ Rc1-1/4" 30 50 153.8 106 11 / 40.5 40 13 38 20
We offer customized products if special sizes.
Specifications are subject to change without notice.

Copyright ?Fujian Minxuan Technology Co., Ltd. all rights reserved 闽ICP备05026600号 中机标准化研究院 BY:KEW

【网站地图】