仲博cbin99

仲博·cbin99(中国集团)官方网站
仲博·cbin99(中国集团)官方网站

Rotary Joint

Home - Products

big20224151616201017

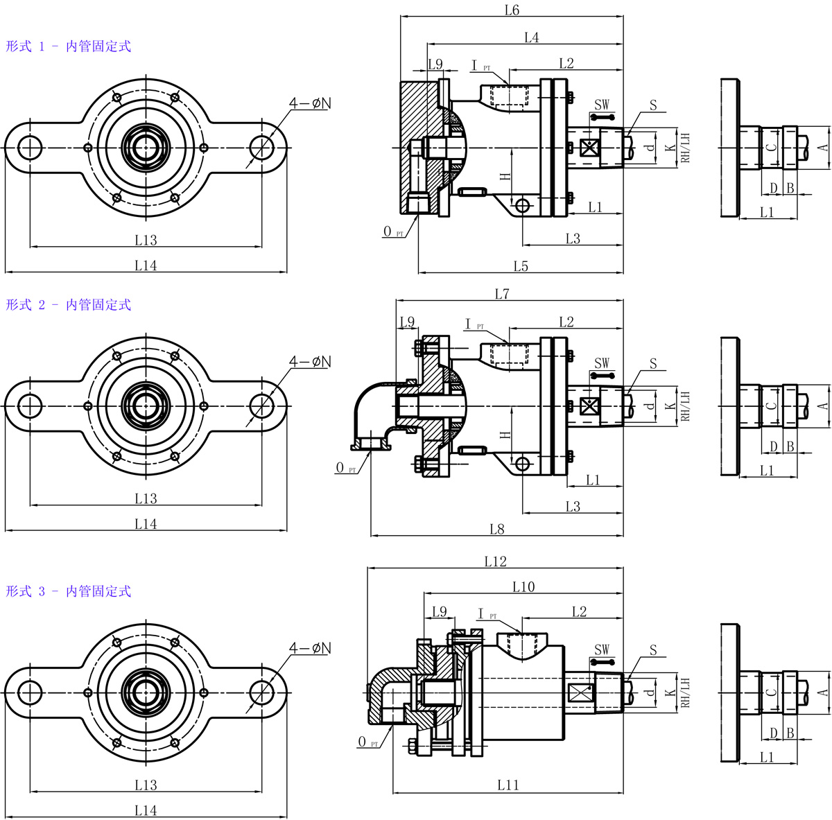
MXQ2 Rotary Joint (Fixed)

Model::MXQ2
Outer pipe::Thread connection or flange connection
Feature::Designed for steam service; Spherical graphite design; Renewable seal plate; New type rotary joint upgrade products; External rod-supported,locked in place.

Technical Parameter::
Media Steam
Max.Temperature ≤220℃
Max.Pressure ≤2.5MPa
Max.Speed ≤300rpm

Product consultation Back to list

Sales Service Hotline::

0595-8686 1188

仲博·cbin99(中国集团)官方网站


Model K I O S d L1 L2 L3 L4 L5 L6 L7 L8 L9 L10 L11 L12 L13 L14 N SW H Flange outer tube size control table
A B C D
25A R1" Rc3/4" Rc1/2" Rp3/8" 23.5 49 83 / / / / / / 25 164 190 211 118 149 14 32 / 34 12 32 18
32A R1-1/4" Rc1" Rc1/2" Rp1/2" 28 64 133 114 / / / 241 255 43 / / / 190 280 20 39 58 40 13 38 20
40A R1-1/2" Rc1-1/4" Rc3/4" Rp3/4" 36 77 149 132 233 243 263 / / 18 / / / 206 316 21 46 66 47.8 13 45 20
50A R2" Rc1-1/2" Rc1" Rp1" 45 77 149 132 / / / 286 305 48 / / / 250 350 30 54 75 60 16 57 24

We offer customized products if special sizes.
Specifications are subject to change without notice.

Copyright ?Fujian Minxuan Technology Co., Ltd. all rights reserved 闽ICP备05026600号 中机标准化研究院 BY:KEW

【网站地图】