
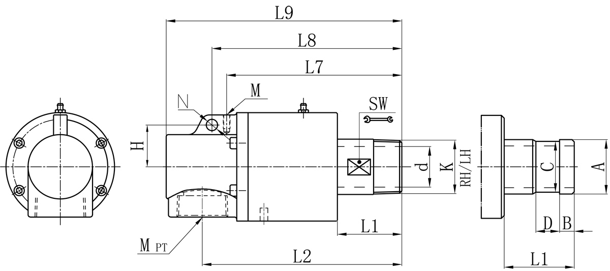
| Model | K | M | d | L1 | L2 | L7 | L8 | L9 | M | N | H | SW | Flange outer tube size control table | |||
| A | B | C | D | |||||||||||||
| 15A | R1/2¡± | Rc1/2¡± | 13 | 35 | 113 | 104 | / | 128 | M6 | / | / | 22 | / | / | / | / |
| 20A | R3/4¡± | Rc3/4¡± | 17 | 42 | 132 | 121 | / | 150 | M6 | / | / | 26 | 26 | 11 | 24 | 16 |
| 25A | R1¡± | Rc1¡± | 21 | 42 | 138 | 124 | / | 159 | M6 | / | / | 32 | 34 | 12 | 32 | 18 |
| 32A | R1-1/4¡± | Rc1-1/4¡± | 30 | 50 | 160 | 141 | / | 188 | M8 | / | / | 41 | 40 | 13 | 38 | 20 |
| 40A | R1-1/2¡± | Rc1-1/2¡± | 36 | 57 | 176 | 155 | 168 | 206 | M6 | 10 | 37 | 46 | 47.8 | 13 | 45 | 20 |
| 50A | R2¡± | Rc2¡± | 46 | 70 | 202 | 175 | 189 | 240 | M8 | 10 | 44 | 57 | 60 | 16 | 57 | 24 |
About Us
Company Profile Company Culture Develop History Technological Innovation Production Quality Honor VideoProducts
Rotary Joint Flexible Metal Hose Graphite AccessoriesNews
Company News Industry news Show information Technical articleTechnology
Product catalog Installation dataFollow us

Contact Us
Unified national service hotlineCopyright ?Fujian Minxuan Technology Co., Ltd. all rights reserved ÃöICP±¸05026600ºÅ Öлú±ê×¼»¯Ñо¿Ôº BY:KEW