
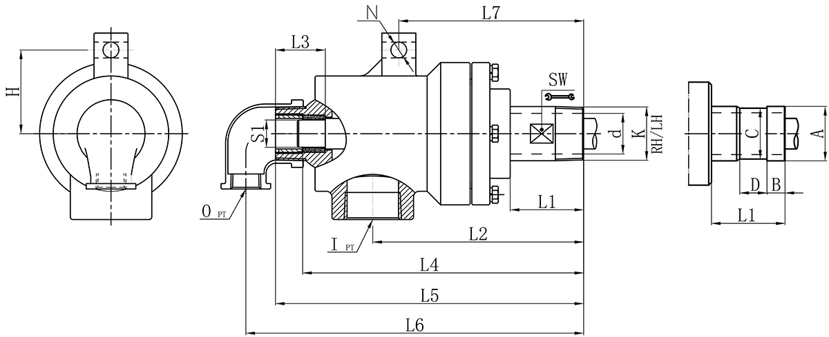
| Model | K | I | O | S1 | d | L1 | L2 | L3 | L4 | L5 | L6 | L7 | L9 | N | H | SW | 法兰式外管尺寸比照表 | |||
| A | B | C | D | |||||||||||||||||
| 20A | R3/4" | Rc3/4" | Rc1/2" | 12 | 18 | 49 | 141 | 30 | 193 | 197 | 210 | 127 | 40 | 10 | 56 | 24 | 26 | 11 | 24 | 16 |
| 25A | R1" | Rc3/4" | Rc1/2" | 16 | 23.5 | 54 | 149 | 30 | 204 | 210 | 222 | 131 | 40 | 12 | 60 | 32 | 34 | 12 | 32 | 18 |
| 32A | R1-1/4” | Rc1" | Rc1/2" | 20 | 30 | 57 | 161 | 20 | 216 | 239 | 253 | 140 | 48 | 14 | 68 | 39 | 40 | 13 | 38 | 20 |
| 40A | R1-1/2” | Rc1-1/4" | Rc3/4" | 25 | 36 | 67 | 186 | 20 | 249 | 272 | 292 | 163 | 50 | 14 | 74 | 45 | 47.8 | 13 | 45 | 20 |
| 50 | R2” | Rc1-1/2" | Rc1" | 32 | 45 | 72 | 212 | 16 | 268 | 290 | 310 | 170 | 46 | 14 | 97 | 58 | 60 | 16 | 57 | 24 |
如属规格品外,本公司可配合要求制作。。
规格尺寸若有修改,恕不另行通知。。
About Us
Company Profile Company Culture Develop History Technological Innovation Production Quality Honor VideoProducts
Rotary Joint Flexible Metal Hose Graphite AccessoriesNews
Company News Industry news Show information Technical articleTechnology
Product catalog Installation dataFollow us

Contact Us
Unified national service hotlineCopyright ?Fujian Minxuan Technology Co., Ltd. all rights reserved 闽ICP备05026600号 中机标准化研究院 BY:KEW