仲博cbin99

仲博·cbin99(中国集团)官方网站
仲博·cbin99(中国集团)官方网站

Rotary Joint

Home - Products

big2022418922222707

YJTX Rotary joint (Fixed)

Model:YJTXSG 、YJTXSGF
Outer pipe:Thread connection or flange connection
Feature:Balanced mechanical seal design; Self-supporting design; Standard carbon graphite seal design; Double bearing spacing support; Mono flow and dual flow design; Fully circulating design.

Technical Parameter:
Media Water
Max.Temperature ≤120℃
Max.Pressure ≤1.0MPa
Max.Speed

≤1500rpm



Product consultation Back to list

Sales Service Hotline:

0595-8686 1188

仲博·cbin99(中国集团)官方网站


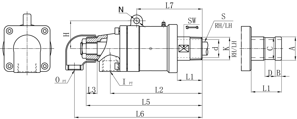
Model K I O S d L1 L2 L3 L5 L6 L7 N H SW Flange outer tube size control table
A B C D
20A R3/4" Rc3/4" Rc1/2" Rp1/4" 18 48 147 22 180 199 107 8 37 26 26 11 24 16
25A R1" Rc3/4" Rc1/2" Rp3/8" 22 50 153 27 198 213 112 10 44 30 34 12 32 18
32A R1-1/4" Rc1" Rc1/2" Rp1/2" 30 60 176 31 224 236 129 12 55 41 40 13 38 20
40A R1-1/2" Rc1-1/4" Rc3/4" Rp3/4" 36 46 197 33 255 272 148 12 57 45 47.8 13 45 20
50A R2" Rc1-1/2" Rc1" Rp1" 46 77 240 46 313 326 178 12 72 58 60 16 57 24
65A R2-1/2" Rc2" Rc1-1/4" Rp1-1/4" 60 88 273 52 358 386 207 14 92 70 74 19 70 24

We offer customized products if special sizes.
Specifications are subject to change without notice.

Copyright ?Fujian Minxuan Technology Co., Ltd. all rights reserved 闽ICP备05026600号 中机标准化研究院 BY:KEW

【网站地图】